

или при получении
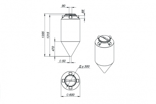
Ширина: 555 мм
Высота: 970 мм
ЭкоПром — это отечественная компания-производитель, которая более десяти лет специализируется на изготовлении высококачественных изделий из пластика.
На сегодняшний день компания ЭкоПром — это один из лидеров отечественного рынка в сфере производства разногабаритных емкостей из полиэтилена.
Компания ЭкоПром располагает тремя производственными площадками, общая складская площадь составляет свыше девяти тысяч квадратных метров, а рознично-оптовые площадки есть в десяти городах России. Производство компании имеет восемь ротоформовочных установок, которые позволяют стабильно выпускать продукцию высокого качества.
Продукция компании ЭкоПром разрабатывается инженерами, а каждый этап производства тщательно контролируется специалистами: начиная от проверки качества исходного сырья и заканчивая упаковкой конечного продукта.
Ассортимент продукции завода ЭкоПром производит более восьмидесяти наименований. Все виды продукции прошли тестирование и отвечают необходимым требованиям, что подтверждает наличие сертификатов.
На свои изделия ЭкоПром предоставляет официальную гарантию.
Похожие товары
все предложенияПредложения месяца
все предложения



























































































